Online od roku 2006 – Důvěryhodné zkušenosti
Přes 100.000 produktů – Široký sortiment
Doručení z vlastního skladu – Rychlé doručení
Bezplatné doručení od 2500 Kč

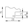
Efektní dřevěný rám profil 2070 antireflexní sklo 60x90 cm černý

Elegantní lišta z masivního dřeva s uzavřeným povrchem, dřevěný rám s antireflexním sklem
Barva 
Typ skla 
Formát rámu 

Kč 5.622,81
vč. 21% káď , Plus náklady na dopravu