Online od roku 2006 – Důvěryhodné zkušenosti
Přes 100.000 produktů – Široký sortiment
Doručení z vlastního skladu – Rychlé doručení
Bezplatné doručení od 2500 Kč

Efektní rám z masivního dřeva profil 22 hnědozlatý 10x10 cm muzejní sklo

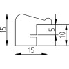
Efektní rám na obrazy z masivního dřeva, lakovaný s otevřenými póry, viditelná a hmatatelná struktura dřeva, šířka lišty: 1,5 cm
Typ skla 
Formát rámu 

Kč 518,41
vč. 21% káď , Plus náklady na dopravu