Online od roku 2006 – Důvěryhodné zkušenosti
Přes 100.000 produktů – Široký sortiment
Doručení z vlastního skladu – Rychlé doručení
Bezplatné doručení od 2500 Kč

Effect Dřevěný rám profil Top Pro červený s muzejním sklem

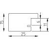
Masivní dřevěný rám s viditelnou strukturou, červená barva po osmikrátovém lakování, muzejní sklo s 70% ochranou proti UV, šířka lišty 2,5 cm, vhodný pro DIN A1 ve svislém i vodorovném zavěšení
Barva 
Typ skla 
Velikost 

Kč 6.899,27
vč. 21% káď , Plus náklady na dopravu