Online od roku 2006 – Důvěryhodné zkušenosti
Přes 100.000 produktů – Široký sortiment
Doručení z vlastního skladu – Rychlé doručení
Bezplatné doručení od 2500 Kč

Effect Dřevěný rám Profil Top Pro zlatý s muzejním sklem

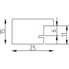
Masivní dřevěný rám s viditelnou dřevěnou strukturou a zlatou fólií, kvádrový minimalistický profil 2,5 cm, vhodný pro vertikální i horizontální zavěšení, muzejní sklo s 70 % ochranou před UV zářením, ideální pro moderní i klasické interiéry
Barva 
Typ skla 
Velikost 

Kč 4.559,95
vč. 21% káď , Plus náklady na dopravu