Online od roku 2006 – Overené skúsenosti
Viac než 100.000 produktov – Široký sortiment
Dodanie z vlastného skladu – Rýchle doručenie
Bezplatná doprava od 150 €

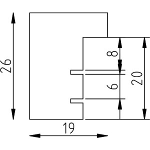
Effect Fotorámik Profil 58 biely 50x75 cm s múzejným sklom

Masívny drevený rám, blokový profil 1,9 cm, šesťkrát lakovaný, múzejné sklo s 70% UV ochranou, vč. steny na zavesenie, elegantný a trvanlivý prezentátor fotiek a obrazov
Farba 
Typ Skla 
Veľkosť Rámu Obrazu 

267,92 €
ink. DPH , plus prepravné náklady