Online od roku 2006 – Důvěryhodné zkušenosti
Přes 100.000 produktů – Široký sortiment
Doručení z vlastního skladu – Rychlé doručení
Bezplatné doručení od 2500 Kč

Effect Dřevěný obrazový rám s profilovým lemem 58 světle hnědý s muzejním sklem

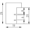
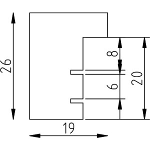
Pevný dřevěný rám s blokovým profilem, šířka lišty 1,9 cm, 6-násobně lakovaný podle EU, s muzejním sklem proti UV záření, určen pro zavěšování na stěnu, světle hnědá barva, formát 50x75 cm
Barva 
Typ Skla 
Velikost Rámečku Obrázku 

Kč 6.629,96
vč. 21% káď , Plus náklady na dopravu