Online od roku 2006 – Důvěryhodné zkušenosti
Přes 100.000 produktů – Široký sortiment
Doručení z vlastního skladu – Rychlé doručení
Bezplatné doručení od 2500 Kč

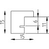
Effect Dřevěný rám Profil 2330 z dubu 20x28 cm s muzejním sklem

Pevný dřevěný rám z dubu s otevřenoporučnou povrchem, kvádrový profil 1,5 cm, muzejní sklo s 70 % UV ochranou, formát 20x28 cm, vhodný pro zavěšování na zeď, moderní i klasické interiéry.
Barva 
Typ skla 
Velikost 

Kč 1.126,19
vč. 21% káď , Plus náklady na dopravu