Online od roku 2006 – Důvěryhodné zkušenosti
Přes 100.000 produktů – Široký sortiment
Doručení z vlastního skladu – Rychlé doručení
Férové ceny – Skvělý poměr cena/výkon

Effect Dřevěný rám profil 51 antik stříbrná s muzejním sklem

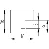
Dřevěný profil s zaoblenými hranami, fóliová antik stříbrná úprava, šířka lišty 1,6 cm, muzejní sklo s UV filtrem 70%, vhodný pro dokumenty DIN A3, závěsná instalace, klasický charme a moderní elegance
Barva 
Typ Skla 
Velikost Rámečku Obrázku 

76,40 €
vč. káď , Plus náklady na dopravu