Online od roku 2006 – Důvěryhodné zkušenosti
Přes 100.000 produktů – Široký sortiment
Doručení z vlastního skladu – Rychlé doručení
Férové ceny – Skvělý poměr cena/výkon

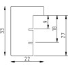
Effect dřevěný rám Profil 54 ořechová barva s muzejním sklem

Masivní dřevěný rám ořechová barva, šířka lišty 2,2 cm, s muzejním sklem s UV ochranou 70%, vhodný pro Shabby Chic a Landhaus styl, trvale chrání barvu a autentičnost děl, dekorativní a investiční doplněk interiéru
Barva 
Typ Skla 
Velikost 

66,90 €
vč. káď , Plus náklady na dopravu