Online od roku 2006 – Důvěryhodné zkušenosti
Přes 100.000 produktů – Široký sortiment
Doručení z vlastního skladu – Rychlé doručení
Férové ceny – Skvělý poměr cena/výkon

Effect Dřevěný rám Profil 58 bílý 20x30 cm s protireflexním sklíčkem

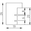
Pevný dřevěný rám, šířka liště 1,9 cm, 6-násobně lakovaný, s protireflexním sklíčkem, vhodný na stěnu, velikost 20x30 cm, bílá barva, vhodný pro obrazy a kresby
Barva 
Typ Skla 
Velikost Rámečku Obrázku 

34,67 €
vč. káď , Plus náklady na dopravu