Online od roku 2006 – Důvěryhodné zkušenosti
Přes 100.000 produktů – Široký sortiment
Doručení z vlastního skladu – Rychlé doručení
Bezplatné doručení od 2500 Kč

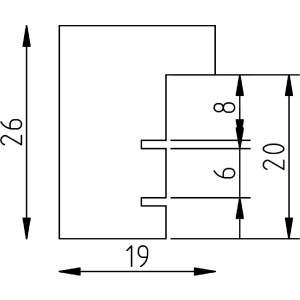
effect Dřevěný rám Profil 58 bílý s muzejním sklípkem

Pevný dřevěný rám s blokovým tvarováním, šířka lišt 1,9 cm, šestinásobně lakovaný dle evropských směrnic, s muzejním sklípkem proti UV záření 70%, vhodný pro zavěšení na stěnu, ideální pro fotografie, umělecká díla a osvědčení
Barva 
Typ Skla 
Velikost Rámečku Obrázku 

Kč 1.298,17
vč. 21% káď , Plus náklady na dopravu