Online od roku 2006 – Důvěryhodné zkušenosti
Přes 100.000 produktů – Široký sortiment
Doručení z vlastního skladu – Rychlé doručení
Férové ceny – Skvělý poměr cena/výkon

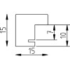
Effect Dřevěný rám profil 70 z ořechu s muzejním sklem 7x10 cm

Masivní dřevěný rám z ořechu, kvádrový profil s mírně zaoblenými hranami, formát 7x10 cm, muzejní sklo s 70 % UV ochranou, zadní držák pro stání nebo zavěšení, šířka lišt 1,5 cm, moderní design, vhodný pro umělecké díla a fotografie.
Typ skla 
Velikost 

27,50 €
vč. káď , Plus náklady na dopravu