Online od roku 2006 – Důvěryhodné zkušenosti
Přes 100.000 produktů – Široký sortiment
Doručení z vlastního skladu – Rychlé doručení
Férové ceny – Skvělý poměr cena/výkon

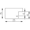
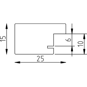
Effect Dřevěný rám Profil 71 ořech 10x10 cm s muzejním sklem

Masivní ořechový rám 10x10 cm, středně široký profil 2,5 cm, muzejní sklo s 70 % UV ochranou, zadní držák pro zavěšení nebo položení, elegantní a trvalý pro obrazy, fotografie a artefakty
Typ skla 
Velikost 

31,90 €
vč. káď , Plus náklady na dopravu