Online od roku 2006 – Důvěryhodné zkušenosti
Přes 100.000 produktů – Široký sortiment
Doručení z vlastního skladu – Rychlé doručení
Férové ceny – Skvělý poměr cena/výkon

Effect Dřevěný rám Profil Top Pro bílý s umělým sklem 24x30 cm

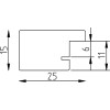
Vysokokvalitní dřevěný rám z masivního dřeva s viditelnou strukturou, kvádrový profil 2,5 cm, šestkrát lakován podle evropských standardů, umělé sklo odolné proti rozbití s antireflexní vrstvou a ochranou proti UV záření, vhodný pro vnitřní i venkovní použití
Barva 
Typ skla 
Velikost 

36,16 €
vč. káď , Plus náklady na dopravu