Online od roku 2006 – Důvěryhodné zkušenosti
Přes 100.000 produktů – Široký sortiment
Doručení z vlastního skladu – Rychlé doručení
Férové ceny – Skvělý poměr cena/výkon

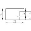
Effect Dřevěný rám Profil Top Pro červený 40x60 cm s umělým sklem

Dřevěný rám z masivního dřeva s viditelnou strukturou a hladkou povrchem, živě červené provedení s šesti vrstvami lešení, umělé sklo s antireflexní vrstvou a ochranou před UV zářením, vhodné pro vertikální i horizontální zavěšení.
Barva 
Typ skla 
Velikost 

80,47 €
vč. káď , Plus náklady na dopravu