Online od roku 2006 – Důvěryhodné zkušenosti
Přes 100.000 produktů – Široký sortiment
Doručení z vlastního skladu – Rychlé doručení
Férové ceny – Skvělý poměr cena/výkon

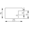
Effect Dřevěný rám Profil Top Pro červený umělý sklo

Masivní dřevěný rám s viditelnou dřevěnou strukturou, minimalistický profil 2,5 cm, červená barva, zadní stěna s držákem, umělý sklo s protiskluzovou vrstvou a ochranou před UV, šestinásobně lakován podle evropských směrnic, vhodný pro zavěšení nebo položení na stěnu
Barva 
Typ skla 
Velikost 

22,70 €
vč. káď , Plus náklady na dopravu