Online od roku 2006 – Důvěryhodné zkušenosti
Přes 100.000 produktů – Široký sortiment
Doručení z vlastního skladu – Rychlé doručení
Férové ceny – Skvělý poměr cena/výkon

Effect dřevěný rám Profil Top Pro fialově zelený 30x40 cm s umělým sklem

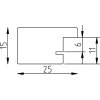
Vysokokvalitní dřevěný rám z masivního dřeva s viditelnou dřevěnou strukturou, fialově zelená barva, minimalistický pravoúhlý profil šířky 2,5 cm, 6x lakovaný, umělé sklo s antireflexní vrstvou, odolné proti UV a prasknutí, vhodné pro zavěšování vodorovně i svisle
Barva 
Typ skla 
Velikost 

42,36 €
vč. káď , Plus náklady na dopravu