Online od roku 2006 – Důvěryhodné zkušenosti
Přes 100.000 produktů – Široký sortiment
Doručení z vlastního skladu – Rychlé doručení
Férové ceny – Skvělý poměr cena/výkon

Effect Dřevěný rám Profil Top Pro hnědý 50x70 cm s muzejním sklem

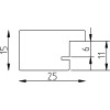
Masivní dřevěný rám s viditelnou strukturou, šířka lišty 2,5 cm, hnědá barva, 6-kroková lakovaná úprava, muzejní sklo s 70 % ochranou proti UV záření, vhodný pro výškový i vodorovný formát
Barva 
Typ skla 
Velikost 

188,20 €
vč. káď , Plus náklady na dopravu