Online od roku 2006 – Důvěryhodné zkušenosti
Přes 100.000 produktů – Široký sortiment
Doručení z vlastního skladu – Rychlé doručení
Bezplatné doručení od 2500 Kč

Effect Dřevěný rám Profil Top Pro modrý s muzejním sklem

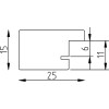
Dřevěný rám z masivního dřeva s viditelnou strukturou, minimalistický profil 2,5 cm, modrá barva 6x lakovaná, vhodný pro vertikální i horizontální zavěšení, muzejní sklo s 70 % ochranou před UV zářením, elegantní a funkční pro umělecké díla a fotografie
Barva 
Typ skla 
Velikost 

Kč 3.072,22
vč. 21% káď , Plus náklady na dopravu