Online od roku 2006 – Důvěryhodné zkušenosti
Přes 100.000 produktů – Široký sortiment
Doručení z vlastního skladu – Rychlé doručení
Férové ceny – Skvělý poměr cena/výkon

Effect Dřevěný rám Profil Top Pro mořská zelená 50x75 cm s muzejním sklem

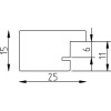
Masivní dřevěný rám s viditelnou strukturou a hladkým povrchem, mořská zelená barva, sklo muzejní s 70 % UV ochranou, 6krát lakovaný podle evropských směrnic, kantní minimalistický design, šířka lišty 2,5 cm, vhodný pro svislé i vodorovné zavěšení
Barva 
Typ skla 
Velikost 

231,40 €
vč. káď , Plus náklady na dopravu