Online od roku 2006 – Důvěryhodné zkušenosti
Přes 100.000 produktů – Široký sortiment
Doručení z vlastního skladu – Rychlé doručení
Férové ceny – Skvělý poměr cena/výkon

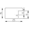
Effect Dřevěný rám Profil Top Pro mořská zelená s museumským sklem

Masivní dřevo s viditelnou strukturou, mořská zelená barva, kvádrový profil 2,5 cm, museumské sklo s 70 % UV ochranou, zavěšení ve svislém i vodorovném formátu, vhodné pro obrazy, fotografie a pamětní artefakty
Barva 
Typ skla 
Velikost 

72,10 €
vč. káď , Plus náklady na dopravu