Online od roku 2006 – Důvěryhodné zkušenosti
Přes 100.000 produktů – Široký sortiment
Doručení z vlastního skladu – Rychlé doručení
Bezplatné doručení od 2500 Kč

Effect Dřevěný rám Profil Top Pro oranžový s muzejním sklem

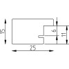
Vysokokvalitní dřevěný rám z masivního dřeva s viditelnou strukturou, živý oranžový nátěr, minimalistický kantový profil 2,5 cm, muzejní sklo s 70 % UV ochranou, šestinásobně lakovaný podle evropských směrnic, vhodný pro vertikální i horizontální zavěšení
Barva 
Typ skla 
Velikost 

Kč 2.948,49
vč. 21% káď , Plus náklady na dopravu