Online od roku 2006 – Důvěryhodné zkušenosti
Přes 100.000 produktů – Široký sortiment
Doručení z vlastního skladu – Rychlé doručení
Férové ceny – Skvělý poměr cena/výkon

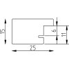
Effect Dřevěný rám Profil Top Pro oranžový s umělým sklem

Vysokokvalitní dřevěný rám z masivního dřeva s viditelnou strukturou, živý oranžový nátěr, šestiúrové lakování, umělý sklo s antireflexní vrstvou a ochranou před UV zářením, vhodný pro zavěšení ve vertikálním i vodorovném formátu
Barva 
Typ skla 
Velikost 

54,60 €
vč. káď , Plus náklady na dopravu