Online od roku 2006 – Důvěryhodné zkušenosti
Přes 100.000 produktů – Široký sortiment
Doručení z vlastního skladu – Rychlé doručení
Férové ceny – Skvělý poměr cena/výkon

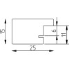
Effect Dřevěný rám Profil Top Pro přírodní s museumsklasy 25x80 cm

Dřevěný rám s viditelnou dřevěnou strukturou, kantovitý minimalistický profil, přírodní provedení, šestkrát lakovaný, ochrana proti UV záření 70 %, vhodný pro rovnoběžný i svislý formát, pro umělecká díla a galerie
Barva 
Typ skla 
Velikost 

126,90 €
vč. káď , Plus náklady na dopravu