Online od roku 2006 – Důvěryhodné zkušenosti
Přes 100.000 produktů – Široký sortiment
Doručení z vlastního skladu – Rychlé doručení
Férové ceny – Skvělý poměr cena/výkon

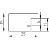
Effect Dřevěný rám Profil Top Pro stříbrný 20x20 cm s muzejním sklem

Vysokokvalitní dřevěný rám z masivního dřeva s viditelnou strukturou, stříbrná barva, kantové lešené hranice 2,5 cm, muzejní sklo s 70 % UV ochranou, šestinásobně lakovaný podle evropských směrnic, vhodný pro zavěšení na stěnu
Barva 
Typ skla 
Velikost 

40,90 €
vč. káď , Plus náklady na dopravu