Online od roku 2006 – Důvěryhodné zkušenosti
Přes 100.000 produktů – Široký sortiment
Doručení z vlastního skladu – Rychlé doručení
Bezplatné doručení od 2500 Kč

Effect Dřevěný rám Profil Top Pro stříbrný 50x50 cm s muzejním sklem

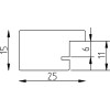
Vysokokvalitní dřevěný rám z masivního dřeva s viditelnou strukturou, kvádrový profil 2,5 cm, muzejní sklo s 70 % ochranou proti UV, foliová povrchová úprava, vhodný pro zavěšení na stěnu
Barva 
Typ skla 
Velikost 

Kč 4.411,47
vč. 21% káď , Plus náklady na dopravu