Online od roku 2006 – Důvěryhodné zkušenosti
Přes 100.000 produktů – Široký sortiment
Doručení z vlastního skladu – Rychlé doručení
Férové ceny – Skvělý poměr cena/výkon

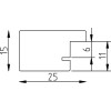
Effect Dřevěný rám Profil Top Pro stříbrný s muzejním sklem

Dřevěný rám z masivního dřeva s viditelnou strukturou, stříbrná barva s foliovým povlakem, kvádrový profil 2,5 cm, muzejní sklo s 70 % UV ochranou, vhodný pro A4 dokumenty a obrazy, minimalistický design pro moderní interiéry
Barva 
Typ skla 
Velikost 

43,50 €
vč. káď , Plus náklady na dopravu