Online od roku 2006 – Důvěryhodné zkušenosti
Přes 100.000 produktů – Široký sortiment
Doručení z vlastního skladu – Rychlé doručení
Bezplatné doručení od 2500 Kč

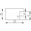
Effect dřevěný rám Profil Top Pro světle hnědý 45x80 cm s muzejním sklem

Vysokokvalitní dřevěný rám z masivního dřeva s viditelnou strukturou, šířka lišty 2,5 cm, barva světle hnědá 6-násobně lakovaná, pro výškové i vodorovné umístění, sklo muzejní s ochranou 70 % před UV paprsky
Barva 
Typ skla 
Velikost 

Kč 6.306,03
vč. 21% káď , Plus náklady na dopravu