Online od roku 2006 – Důvěryhodné zkušenosti
Přes 100.000 produktů – Široký sortiment
Doručení z vlastního skladu – Rychlé doručení
Férové ceny – Skvělý poměr cena/výkon

Effect Dřevěný rám Profil Top Pro světle hnědý s protisvětelným sklíčkem

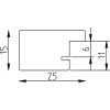
Hmotný dřevěný profil s viditelnou strukturou, šířka lišty 2,5 cm, protisvětelné sklíčko, 6 vrstvy lakovaného povrchu, zadní stěna s držákem pro zavěšení nebo kladání
Barva 
Typ skla 
Velikost 

18,14 €
vč. káď , Plus náklady na dopravu