Online od roku 2006 – Důvěryhodné zkušenosti
Přes 100.000 produktů – Široký sortiment
Doručení z vlastního skladu – Rychlé doručení
Férové ceny – Skvělý poměr cena/výkon

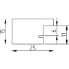
Effect Dřevěný rám Profil Top Pro zlatý s antireflexním sklím

Massivní dřevěný rám s viditelnou strukturou, zlatý foliový povlak, minimalistický kvádrový profil 2,5 cm, antireflexní sklo snižující záblesky, vhodný pro nástěnné zavěšení fotografií a obrazů, luxusní vzhled pro moderní i klasické interiéry
Barva 
Typ skla 
Velikost 

26,57 €
vč. káď , Plus náklady na dopravu