Online od roku 2006 – Důvěryhodné zkušenosti
Přes 100.000 produktů – Široký sortiment
Doručení z vlastního skladu – Rychlé doručení
Férové ceny – Skvělý poměr cena/výkon

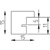
Effect Dřevěný rám profil top S hnědý s muzejním sklem

Dřevěný rám hnědý s viditelnou strukturou, čtvercový profil s zaoblenými hranami, 5-vrstvý lak podle evropských směrnic, sklo muzejní s ochranou před UV zářením 70 %, vhodný pro vodorovné i svislé zavěšení
Barva 
Typ skla 
Velikost 

45,80 €
vč. káď , Plus náklady na dopravu