Online od roku 2006 – Důvěryhodné zkušenosti
Přes 100.000 produktů – Široký sortiment
Doručení z vlastního skladu – Rychlé doručení
Férové ceny – Skvělý poměr cena/výkon

Effect Dřevěný rám Profil Top S hnědý s muzejním sklem

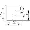
Pevný dřevěný rám s viditelnou strukturou, čtvercový profil s zaoblenými hranami, šířka 1,5 cm, hnědá barva, muzejní sklo s 70 % UV ochranou, držák pro stojící i zavěšení, pětkrát lakován podle evropských směrnic
Barva 
Typ skla 
Velikost 

26,60 €
vč. káď , Plus náklady na dopravu