Online od roku 2006 – Důvěryhodné zkušenosti
Přes 100.000 produktů – Široký sortiment
Doručení z vlastního skladu – Rychlé doručení
Férové ceny – Skvělý poměr cena/výkon

Effect Dřevěný rám Profil Top S modrý 50x70 cm s muzejním sklem

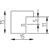
Dřevěný rám z masivního dřeva s viditelnou strukturou, čtvercový profil s zaoblenými hranami, šířka lišty 1,5 cm, barva modrá, muzejní sklo s 70 % UV ochranou, vhodný pro vertikální i horizontální zavěšení, 5-násobné lepení podle evropských směrnic
Barva 
Typ skla 
Velikost 

184,10 €
vč. káď , Plus náklady na dopravu