Online od roku 2006 – Důvěryhodné zkušenosti
Přes 100.000 produktů – Široký sortiment
Doručení z vlastního skladu – Rychlé doručení
Férové ceny – Skvělý poměr cena/výkon

Effect Dřevěný rám Profil Top S tannengrün s muzejním sklem 9x13 cm

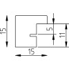
Pevný dřevěný rám s viditelnou strukturou, zaoblenými hranami, šířka lemu 1,5 cm, barva tannengrün, 5krát lakovaný, muzejní sklo s 70% UV ochranou, zadní deska s držákem pro stůl nebo zavěšení
Barva 
Typ skla 
Velikost 

18,50 €
vč. káď , Plus náklady na dopravu