Online od roku 2006 – Důvěryhodné zkušenosti
Přes 100.000 produktů – Široký sortiment
Doručení z vlastního skladu – Rychlé doručení
Bezplatné doručení od 2500 Kč

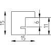
Effect dřevěný rám s profilovým tvarem 2330 černý s muzejním sklem

Masivní dřevěný rám s krychlovitým profilovým tvarem, průhledná povrchová struktura, muzejní sklo s 70 % ochranou před UV zářením, zadní stěna s držákem pro flexibilní umístění
Barva 
Typ skla 
Velikost 

Kč 711,70
vč. 21% káď , Plus náklady na dopravu
Další produkty, které by se vám mohly líbit