Online od roku 2006 – Důvěryhodné zkušenosti
Přes 100.000 produktů – Široký sortiment
Doručení z vlastního skladu – Rychlé doručení
Férové ceny – Skvělý poměr cena/výkon

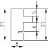
effect Dřevěný rámeček na fotografie Profil 69 bílý 10x10 cm s umělým sklem

Moderní dřevěný rámeček 10x10 cm z masivního dřeva, bílá barva, odolné umělé sklo s antireflexní vrstvou a ochranou před UV paprsky, zaoblená lišta pro efekt hloubky, stojan na stěnu nebo závěs, vhodný pro fotografie a umělecké díla
Barva 
Typ skla 
Velikost 

23,90 €
vč. káď , Plus náklady na dopravu