Online od roku 2006 – Důvěryhodné zkušenosti
Přes 100.000 produktů – Široký sortiment
Doručení z vlastního skladu – Rychlé doručení
Férové ceny – Skvělý poměr cena/výkon

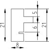
Effect Dřevěný rámeček na obraz Profil 69 bílý 20x30 cm s umělým sklípkem

Moderní dřevěný rámeček z masivního dřeva, hranatý design, pevné umělé sklo s protizářivou vrstvou a ochranou před UV paprsky, vhodný pro moderní interiéry, rozměry 20x30 cm, jednobarevné leštění, snadná montáž
Barva 
Typ skla 
Velikost 

34,40 €
vč. káď , Plus náklady na dopravu