Online od roku 2006 – Důvěryhodné zkušenosti
Přes 100.000 produktů – Široký sortiment
Doručení z vlastního skladu – Rychlé doručení
Férové ceny – Skvělý poměr cena/výkon

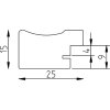
Effect Dřevěný rámeček na obraz s profilovým rámem 70x100 cm Platin

Široký masivní dřevěný rám s zakřiveným profilem 2,5 cm, dvoubarvá platinová fólie, normální sklo, rozměr 70x100 cm, vhodný k zavěšení na stěnu
Barva 
Typ skla 
Formát rámu 

139,00 €
vč. káď , Plus náklady na dopravu