Online od roku 2006 – Důvěryhodné zkušenosti
Přes 100.000 produktů – Široký sortiment
Doručení z vlastního skladu – Rychlé doručení
Bezplatné doručení od 2500 Kč

Effect Dřevěný rámeček na obrazy 20x30 cm světle hnědý s muzejním sklem

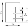
Světle hnědý dřevěný rámeček 20x30 cm s prohloubeným blokovým profilem 1,9 cm, šestkrát lakovaný dle evropských směrnic, s muzejním sklem proti UV záření, vhodný pro elegantní prezentaci obrazů a dlouhodobou ochranu
Barva 
Typ Skla 
Velikost Rámečku Obrázku 

Kč 1.352,12
vč. 21% káď , Plus náklady na dopravu