Online od roku 2006 – Důvěryhodné zkušenosti
Přes 100.000 produktů – Široký sortiment
Doručení z vlastního skladu – Rychlé doručení
Férové ceny – Skvělý poměr cena/výkon

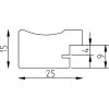
Effect Dřevěný rámeček Profil 40 Platin s muzejním sklem 14,8x21 cm

Břidlicový dřevěný rámeček s profilovým lemováním 2,5 cm, dvoubarevná folie, barva Platin, muzejní sklo, formát 14,8x21 cm, MDF základa s podstavcem pro umístění nebo zavěšení
Barva 
Typ skla 
Formát rámu 

43,73 €
vč. káď , Plus náklady na dopravu