Online od roku 2006 – Důvěryhodné zkušenosti
Přes 100.000 produktů – Široký sortiment
Doručení z vlastního skladu – Rychlé doručení
Férové ceny – Skvělý poměr cena/výkon

Effect Dřevěný rámeček profil 51 antik stříbrný antireflexní sklo

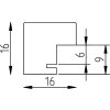
Dřevěný rámeček profil 51, antik stříbrný, 42x59,4 cm, antireflexní sklo, zaoblené hrany, šířka lemu 1,6 cm, vhodný pro DIN A2, minimalizuje záblesky, vhodný pro zavěšení na zeď
Barva 
Typ Skla 
Velikost Rámečku Obrázku 

72,30 €
vč. káď , Plus náklady na dopravu