Online od roku 2006 – Důvěryhodné zkušenosti
Přes 100.000 produktů – Široký sortiment
Doručení z vlastního skladu – Rychlé doručení
Férové ceny – Skvělý poměr cena/výkon

Effect Dřevěný rámeček Profil 54 Kaliční s muzejním sklem

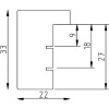
Dřevěný rámeček s křídovitou strukturou, šířka lišty 2,2 cm, muzejní sklo s UV ochranou 70%, vhodný pro stěnu i plochu, styl landhaus a shabby chic, zachovává barvu a vzhled na desetiletí
Barva 
Typ Skla 
Velikost 

39,00 €
vč. káď , Plus náklady na dopravu