Online od roku 2006 – Důvěryhodné zkušenosti
Přes 100.000 produktů – Široký sortiment
Doručení z vlastního skladu – Rychlé doručení
Férové ceny – Skvělý poměr cena/výkon

effect Dřevěný rámeček Profil 54 kalková ořechová 30x45 cm

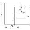
Pravý dřevěný rámeček s přirozenou žilnatinou, šířka lišty 2,2 cm, vybaven antireflexním sklem, vhodný pro zobrazení fotografií a dekorativních doplňků, ideální pro styl Shabby-Chic a Landhaus, zaručuje ostrou viditelnost i při slunečním záření, určen k připevnění na stěnu
Barva 
Typ Skla 
Velikost 

78,00 €
vč. káď , Plus náklady na dopravu