Online od roku 2006 – Důvěryhodné zkušenosti
Přes 100.000 produktů – Široký sortiment
Doručení z vlastního skladu – Rychlé doručení
Férové ceny – Skvělý poměr cena/výkon

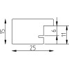
Effect Dřevěný rámeček Profil Top Pro bílý s museumským sklem

Masivní dřevěný rámeček s viditelnou dřevěnou strukturou, minimalistický profil 2,5 cm, bílá 6krát lakovaná povrchová úprava, museumské sklo s 70 % UV ochranou, vhodný pro zavěšení v nejvyšší i vodorovné poloze
Barva 
Typ skla 
Velikost 

57,50 €
vč. káď , Plus náklady na dopravu