Online od roku 2006 – Důvěryhodné zkušenosti
Přes 100.000 produktů – Široký sortiment
Doručení z vlastního skladu – Rychlé doručení
Férové ceny – Skvělý poměr cena/výkon

Effect dřevěný rámeček Profil Top Pro černý s muzejním sklem 40x40 cm

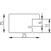
Dřevěný rámeček z masivního dřeva s viditelnou strukturou, kantovité minimalistické profilování 2,5 cm, černá barva s 6x vylakovaným povrchem, muzejní sklo s 70% UV ochranou, vhodný pro zavěšení na stěnu.
Barva 
Typ skla 
Velikost 

74,00 €
vč. káď , Plus náklady na dopravu