Online od roku 2006 – Důvěryhodné zkušenosti
Přes 100.000 produktů – Široký sortiment
Doručení z vlastního skladu – Rychlé doručení
Férové ceny – Skvělý poměr cena/výkon

Effect Dřevěný rámeček Profil Top Pro modrý 15x20 cm

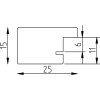
Pevný dřevěný rámeček s viditelnou strukturou, modrá 6x lakovaná povrchová úprava, kvádrový profil 2,5 cm, zadní stěna s držákem, vhodný k zavěšení i položení, moderní design pro běžné použití
Barva 
Typ skla 
Velikost 

20,78 €
vč. káď , Plus náklady na dopravu