Online od roku 2006 – Důvěryhodné zkušenosti
Přes 100.000 produktů – Široký sortiment
Doručení z vlastního skladu – Rychlé doručení
Bezplatné doručení od 2500 Kč

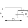
Effect Dřevěný rám Profil Top Pro bílý s museumským sklem

Dřevěný rám s viditelnou strukturou, 6 vrstvové lakování, museumské sklo s UV ochranou, minimalistický profil 2,5 cm, vhodný pro zavěšení v jakékoli orientaci.
Barva 
Typ skla 
Velikost 

Kč 1.981,41
vč. 21% káď , Plus náklady na dopravu