Online od roku 2006 – Důvěryhodné zkušenosti
Přes 100.000 produktů – Široký sortiment
Doručení z vlastního skladu – Rychlé doručení
Bezplatné doručení od 2500 Kč

Effect Dřevěný rám Profil Top Pro mořská zelená s museumským sklem

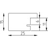
Masivní dřevěný rám s viditelnou dřevěnou strukturou, minimalistický kantový profil 2,5 cm, mořská zelená barva, 6-fázově lakovaný, museumské sklo s ochranou před 70% UV, vhodný pro vertikální i horizontální zavěšení
Barva 
Typ skla 
Velikost 

Kč 2.083,61
vč. 21% káď , Plus náklady na dopravu