Online od roku 2006 – Důvěryhodné zkušenosti
Přes 100.000 produktů – Široký sortiment
Doručení z vlastního skladu – Rychlé doručení
Férové ceny – Skvělý poměr cena/výkon

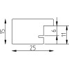
Effect Dřevěný rám Profil Top Pro fialový 45x80 cm s muzejním sklem

Dřevěný rám z masivního dřeva, fialová barva, šestikrát lacovaný, minimalistický kantový profil, muzejní sklo s 70 % UV ochranou, vhodný pro oboustrané zavěšení, dlouhodobě udržitelný a vhodný pro umělecká díla
Barva 
Typ skla 
Velikost 

231,40 €
vč. káď , Plus náklady na dopravu