Online od roku 2006 – Důvěryhodné zkušenosti
Přes 100.000 produktů – Široký sortiment
Doručení z vlastního skladu – Rychlé doručení
Férové ceny – Skvělý poměr cena/výkon

Effect dřevěný rám Profil Top Pro fialový s muzejním sklem

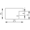
Fialový dřevěný rám z masivního dřeva, minimalistické kantové lešení 2,5 cm, muzejní sklo s 70 % UV ochranou, šestkrát lakovaný, vhodný pro zavěšení v obou orientacích, moderní a klasické interiéry.
Barva 
Typ skla 
Velikost 

49,10 €
vč. káď , Plus náklady na dopravu